Seismic
비내력 조적벽체 높이 및 길이 제한

1. 개요
비내력 조적벽체는 자중과 횡력(지진, 풍하중)에 대해 안전성을 확보해야 합니다. KDS 41 60 40(조적식구조 경험적 설계법)에서는 벽체의 두께($t$)에 따른 최대 높이와 길이 제한을 규정하고 있으며, 이를 준수하지 않을 경우 측면 지지 구조를 반드시 확보해야 합니다.

2. 재료 및 보강 기준
조적벽체의 성능을 보장하기 위한 기초적인 재료 기준입니다.
- 콘크리트 조적개체: 탄성계수 $E_m = 750 f'_m$ (최대 20,500 MPa), $G = 0.4E_m$
- 그라우트: 조적개체 강도의 1.3배 이상 확보
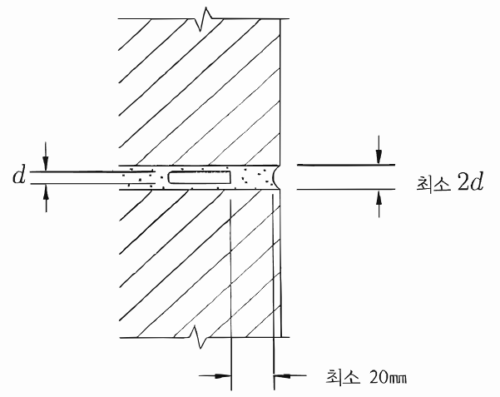
- 연결철근 피복: 최소 20mm 이상 확보 (6mm 이하 철근 사용 권장)
3. 벽체 구분별 최대 높이 및 길이 제한
조적벽은 수직 및 수평 방향으로 횡지지를 확보해야 하며, 기준은 다음과 같습니다.
| 벽체 구분 | 제한 기준 (두께 $t$ 대비) | 비고 |
|---|---|---|
| 비내력 내부 벽체 | $36 \times t$ | 가장 일반적인 내부 칸막이 |
| 비내력 외부 벽체 | $18 \times t$ | 외기에 면한 경우 |
| 내력벽 / 충전 조적벽 | $20 \times t$ | 하중을 지지하는 경우 |
| 파라펫 (Parapet) | $3 \times t$ | 최소 두께 200mm 이상 권장 |
상세 치수 예시 (비내력 내부 벽체 기준)
- 0.5B (90mm): 최대 3,240 mm 간격마다 측면지지 필요
- 1.0B (190mm): 최대 6,840 mm 간격마다 측면지지 필요
- 4인치 (100mm): 3,600 mm
- 6인치 (150mm): 5,400 mm
4. 내진설계에 따른 최소 두께 (KDS 41 17 00)
건축물 내진설계기준에 따라 비구조 조적벽체는 아래의 최소 두께 조건을 추가로 만족해야 합니다.
- 일반 구역: 최소 90mm 이상 또는 $0.035h$ ($h$: 벽체 높이) 확보
- 공공장소 또는 비상구: 최소 120mm 이상 확보

5. 결론
비내력 조적벽체 설계 시에는 단순히 공간을 나누는 용도를 넘어, 벽체 두께에 따른 높이와 길이 제한을 엄격히 준수해야 합니다. 특히 공공장소나 피난경로에 설치되는 조적벽은 내진 기준에 따른 최소 두께와 보강 상세를 반드시 확인하여 지진 시 전도 사고를 예방해야 합니다.